CUT MODEL 1/12 RC Hydraulic Excavator Model Rotation Special Electric Slip Ring 6 Road 10A
Tax included.
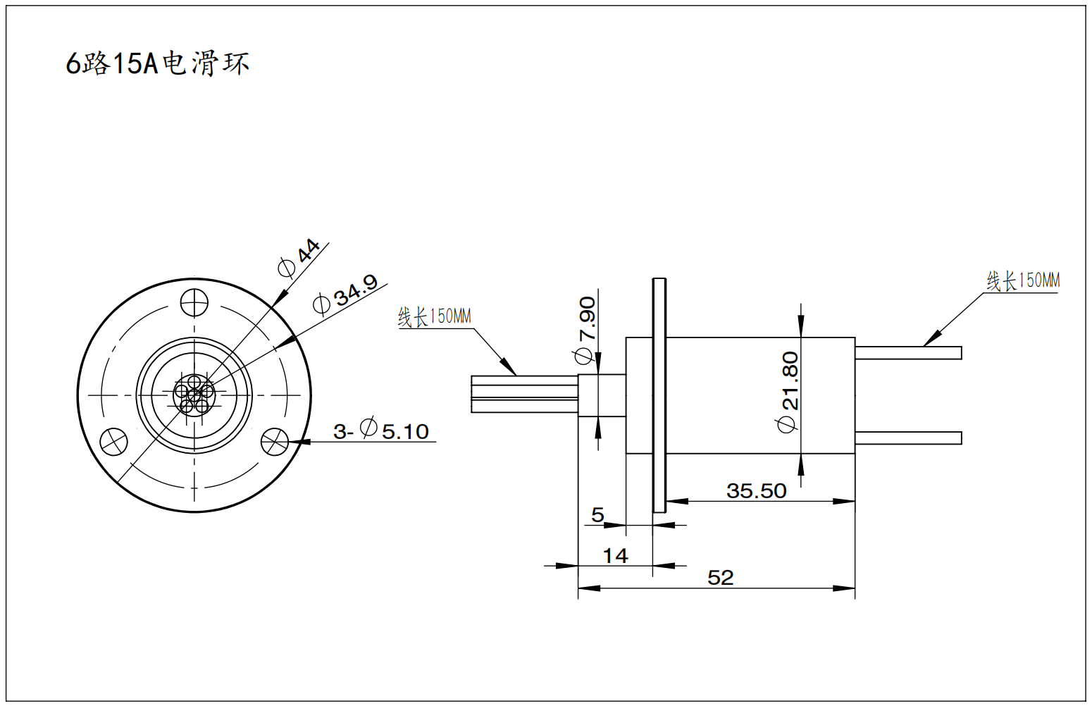
Please refer to the size picture, we do not provide installation instructions, inexperienced players should not buy, and do not provide instructions!
After installation, the circuit can be rotated 360 degrees to power supply, which is suitable for most RC hydraulic excavators on the market




